Поручни для ванной: какие не боятся влаги и обеспечат безопасность?

Ванная комната – зона повышенного травматизма. Кафельный пол, вода и необходимость сохранять равновесие создают риск падений. Чтобы обезопасить себя и близких – особенно пожилых людей или маломобильных членов семьи – необходимо установить опорные конструкции, соответствующие требованиям нормативных документов. В этой статье расскажем, какие поручни купить для ванной, чтобы они выдерживали высокую влажность, соответствовали ГОСТ и СП, а также разберем различия между вертикальными и горизонтальными моделями.

Какие поручни лучше всего устанавливать в ванной комнате?

Материал: почему выбирают нержавеющую сталь AISI 304?

Основное требование к опорным устройствам в ванной – устойчивость к коррозии. Обычный металл под воздействием воды ржавеет, теряет прочность и становится опасным. Оптимальный материал для влажных помещений – нержавеющая сталь AISI 304.

Почему именно AISI 304, а не AISI 316? AISI 316 содержит молибден, что повышает коррозионную стойкость в агрессивных средах (например, в бассейнах с хлорированной водой или на морских побережьях). Для бытовых ванных комнат AISI 304 обеспечивает достаточную защиту при условии регулярной эксплуатации и является экономически обоснованным выбором. В отличие от марки AISI 201, которая чувствительна к влаге и со временем может покрываться точечной коррозией, AISI 304 содержит легирующие добавки (никель 8–10,5%, хром 18–20%), что гарантирует устойчивость к ржавчине даже при постоянном контакте с водой и моющими средствами.

Изделия из этого материала, включая продукцию Тифлоцентра «Вертикаль», сохраняют внешний вид в течение всего срока эксплуатации. При производстве используется труба диаметром 32 мм – это соответствует рекомендациям ГОСТ Р 51261-2022, где указано, что оптимальный диаметр опорных устройств для надежного захвата рукой составляет 28–40 мм. Если требуется поручень для раковины, который не потеряет свои свойства через месяц использования, следует выбирать модели с маркировкой AISI 304.

Нормативные требования: ГОСТ и СП

Установка поручней в жилых и общественных зданиях регламентируется двумя основными документами:

  • ГОСТ Р 51261-2022 «Опорные устройства стационарные реабилитационные. Типы и технические требования» – устанавливает требования к конструкции, нагрузкам, размерам и способам крепления.
  • СП 59.13330.2020 «Доступность зданий и сооружений для маломобильных групп населения» (актуализированная версия СНиП 35-01-2001) – определяет требования к доступной среде, включая цветовые решения и тактильную маркировку.

Опорные устройства должны выдерживать статическую нагрузку не менее 1,8 кН (≈180 кг) согласно ГОСТ Р 51261-2022. Указание в некоторых источниках 120–150 кг не соответствует нормативу. Поручни не должны иметь острых кромок и углов – все элементы должны быть скруглены. Поверхность поручня должна быть непрерывной, без прерываний в зоне захвата.

Для слабовидящих людей СП 59.13330.2020 требует, чтобы поручни контрастировали по цвету с поверхностью стены. Это позволяет визуально идентифицировать опору и снижает риск травм.

Вертикальные и горизонтальные поручни: функции и различия

Поручни различаются по типу монтажа и назначению.

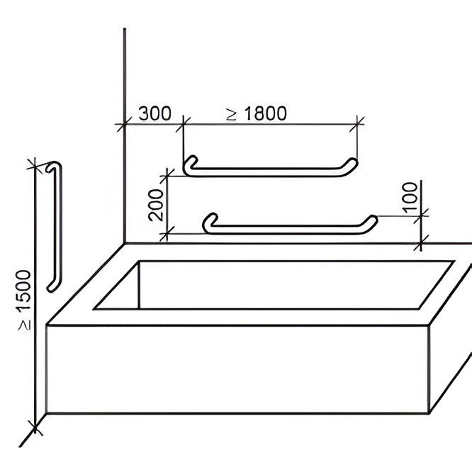
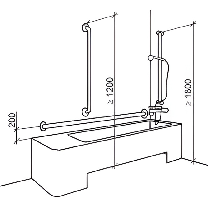
Горизонтальные поручни монтируют вдоль стен или сбоку от ванны. Согласно ГОСТ Р 51261-2022, их рекомендуется устанавливать на высоте от 700 до 900 мм от уровня пола, а у ванны – на высоте не более 200 мм от верхней кромки бортика. Расстояние от стены до поручня (просвет) должно составлять не менее 40 мм, чтобы обеспечить свободный и полный обхват кистью.

Вертикальные поручни устанавливают у входа в душ, рядом с раковиной или унитазом. Согласно ГОСТ Р 51261-2022, их высота должна обеспечивать возможность захвата на уровне от 800 до 1100 мм от пола для опоры в положении стоя. При установке для пользователей, которые пользуются опорой сидя, высота может быть иной. Вертикальные поручни обеспечивают поддержку при вставании, переступании через бортик и смене положения тела.

Тифлоцентр «Вертикаль» предлагает решения для обоих типов установки. В ассортименте компании представлены модели, сочетающие прочность нержавеющей стали AISI 304 и тактильные свойства полиамидных накладок.

Обзор влагостойких моделей с учетом нормативных требований

Опоры для ванны и душа

Для душевых зон подходят прямые настенные модели. Они должны выдерживать нагрузку не менее 180 кг (1,8 кН) в соответствии с ГОСТ Р 51261-2022. Прямые поручни из нержавеющей стали диаметром 32 мм с толщиной стенки не менее 1,5 мм обеспечивают жесткость конструкции. Влагостойкость достигается не только материалом, но и способом крепления: используются скрытые или фланцевые соединения с силиконовыми уплотнителями, исключающими попадание воды под крепеж.

Способ крепления зависит от типа стены. Для бетонных и кирпичных стен применяется анкерное крепление с затяжным усилием. Для гипсокартонных перегородок требуется установка закладных элементов на этапе строительства – крепление только к листу ГКЛ не допускается (ГОСТ Р 51261-2022).

Поручни для раковины

Умывальник – зона, где человек может потерять равновесие при наклоне. В нормативных документах (СП 59.13330.2020, ГОСТ Р 51261-2022) нет жесткой привязки поручня к уровню мойки. На практике поручень располагают на высоте 850–900 мм от пола – это соответствует уровню комфортного захвата для стоящего человека. Просвет между поручнем и раковиной рекомендуется выдерживать в пределах 40–50 мм для свободного обхвата и удобства уборки.

Угловые и комбинированные решения

В небольших ванных комнатах актуальны угловые поручни. Они обеспечивают непрерывную опорную линию при повороте на 90°, что важно в ограниченном пространстве. Также востребованы комбинированные конструкции, включающие вертикальные и горизонтальные элементы – они позволяют пользователю выбрать оптимальную точку опоры в зависимости от движения.

Дополнительные требования: антискользящее покрытие и тактильная маркировка

В условиях высокой влажности поверхность поручня не должна быть скользкой. Гладкий металл без покрытия может стать травмоопасным при намокании. Полиамидные накладки, которыми оснащается продукция Тифлоцентра «Вертикаль», обеспечивают:

  • нескользящий захват даже влажными руками;
  • тактильную маркировку – материал на ощупь отличается от холодного металла, что важно для слабовидящих пользователей;
  • защиту от коррозии под накладкой – полиамид не накапливает влагу и не создает парникового эффекта, в отличие от некоторых видов резиновых или тканевых покрытий.

Использование поручней без полиамидных накладок в ванной допустимо, но требует дополнительного контроля за состоянием поверхности и не обеспечивает тактильной маркировки, рекомендованной СП 59.13330.2020.

Преимущества продукции Тифлоцентра «Вертикаль»

Тифлоцентр «Вертикаль» выпускает опорные устройства, соответствующие требованиям ГОСТ Р 51261-2022 и СП 59.13330.2020. Продукция изготавливается из нержавеющей стали AISI 304. Соединительные элементы производятся из полиамида – материала с огнеупорными и антибактериальными свойствами, устойчивого к агрессивным моющим средствам.

Для компактных помещений подходит угловой поручень. Модель выполнена из трубы D32 из нержавеющей стали с полиамидными накладками, которые обеспечивают теплый и нескользящий захват, а также визуальный и тактильный контраст со стеной.

Для установки рядом с умывальником доступны настенные модели с различной длиной и выносом. Предусмотрено изготовление изделий по индивидуальным размерам с сохранением сертифицированных параметров прочности. Продукция поставляется в разобранном виде, что снижает затраты на логистику.

Заключение

При выборе поручней для ванной следует ориентироваться на модели из нержавеющей стали AISI 304, соответствующие требованиям ГОСТ Р 51261-2022 (нагрузка не менее 180 кг, диаметр 32 мм, просвет от стены 40 мм). Горизонтальные поручни подходят для поддержки вдоль стен и у ванны, вертикальные – для фиксации в точках входа и выхода из душа на высоте 800–1000 мм от пола. Для слабовидящих пользователей важно цветовое и тактильное контрастирование поручня со стеной, что обеспечивается полиамидными накладками. Качество материалов, соответствие нормативам и продуманность конструкции гарантируют долговременную безопасность.

Реклама. ООО «Вертикаль», erid: 2VtzqvEXriH