ГОСТ Р 56444-2015: Тренажеры стационарные. Тренажеры имитирующие греблю. Требования безопасности и методы испытаний

ГОСТ Р 56444-2015

Скачать Недействующий Печать
Все видео
Документ фактически утратил силу с 31.05.2024 Статус на 29.04.2026: Недействующий

Федеральное агентство по техническому регулированию и метрологии


Знак ГОСТа Национальный
стандарт
Российской
Федерации
ГОСТ Р 56444-2015


Тренажеры стационарные

ТРЕНАЖЕРЫ, ИМИТИРУЮЩИЕ ГРЕБЛЮ

Дополнительные специальные требования безопасности и методы испытаний

Дата введения 2016-07-01

Предисловие

  1. РАЗРАБОТАН Саморегулируемой организацией Некоммерческим партнерством "Отраслевое объединение национальных производителей в сфере физической культуры и спорта "Промспорт" (СРО "Промспорт")
  2. ВНЕСЕН Техническим комитетом по стандартизации ТК 444 "Спортивные и туристские изделия, оборудование, инвентарь, физкультурные и спортивные услуги"
  3. УТВЕРЖДЕН И ВВЕДЕН В ДЕЙСТВИЕ Приказом Федерального агентства по техническому регулированию и метрологии от 15 июня 2015 г. N 662-ст
  4. В настоящем стандарте учтены основные нормативные положения международного стандарта ИСО 20957-7:2005* "Тренажеры стационарные. Часть 7. Тренажеры, имитирующие греблю. Дополнительные специальные требования безопасности и методы испытаний" (ISO 20957-7:2005 "Stationary training equipment - Part 7: Rowing machines, additional specific safety requirements and test method", NEQ)
  5. ВВЕДЕН ВПЕРВЫЕ
  6. ПЕРЕИЗДАНИЕ. Октябрь 2019 г.
Правила применения настоящего стандарта установлены в статье 26 Федерального закона от 29 июня 2015 г. N 162-ФЗ "О стандартизации в Российской Федерации". Информация об изменениях к настоящему стандарту публикуется в ежегодном (по состоянию на 1 января текущего года) информационном указателе "Национальные стандарты", а официальный текст изменений и поправок - в ежемесячном информационном указателе "Национальные стандарты". В случае пересмотра (замены) или отмены настоящего стандарта соответствующее уведомление будет опубликовано в ближайшем выпуске ежемесячного информационного указателя "Национальные стандарты". Соответствующая информация, уведомление и тексты размещаются также в информационной системе общего пользования - на официальном сайте Федерального агентства по техническому регулированию и метрологии в сети Интернет (www.gost.ru)

1. Область применения

Настоящий стандарт распространяется на стационарные тренажеры, имитирующие греблю.

Настоящий стандарт устанавливает требования безопасности и методы испытаний тренажеров, имитирующих греблю классов применения S и H и класса точности А.

2. Нормативные ссылки

В настоящем стандарте использованы нормативные ссылки на следующие стандарты:

  • ГОСТ Р 53906 Игрушки. Общие требования безопасности и методы испытаний. Механические и физические свойства
  • ГОСТ Р 56445 Тренажеры стационарные. Общие требования безопасности и методы испытаний
Примечание - При пользовании настоящим стандартом целесообразно проверить действие ссылочных стандартов в информационной системе общего пользования - на официальном сайте Федерального агентства по техническому регулированию и метрологии в сети Интернет или по ежегодному информационному указателю "Национальные стандарты", который опубликован по состоянию на 1 января текущего года, и по выпускам ежемесячного информационного указателя "Национальные стандарты" за текущий год. Если заменен ссылочный стандарт, на который дана недатированная ссылка, то рекомендуется использовать действующую версию этого стандарта с учетом всех внесенных в данную версию изменений. Если заменен ссылочный стандарт, на который дана датированная ссылка, то рекомендуется использовать версию этого стандарта с указанным выше годом утверждения (принятия). Если после утверждения настоящего стандарта в ссылочный стандарт, на который дана датированная ссылка, внесено изменение, затрагивающее положение, на который дана ссылка, то это положение рекомендуется применять без учета данного изменения. Если ссылочный стандарт отменен без замены, то положение, в котором дана ссылка на него, рекомендуется применять в части, не затрагивающей эту ссылку.

3. Термины и определения

В настоящем стандарте применены термины по ГОСТ Р 56445, а также следующий термин с соответствующим определением:

3.1 тренажер для гребли: Стационарный тренажер, оснащенный подвижным сиденьем, для выполнения упражнений, имитирующих движения человека при гребле (см. рисунки 1-3).

Тренажер с гидравлической/пневматической системой

Рисунок 1 - Тренажер для гребли с системой парных весел

Тренажер с гидравлической/пневматической системой

1 – рукоятка; 2 – рычаг для гребли; 3 – регулировка натяжения; 4 – сиденье; 5 – рейка;

6 – рама; 7 – ремень для фиксации стопы; 8 – дисплей; 9 – упор для стопы; 10 – поршень гидравлического/пневматического цилиндра; 11 – опора

Рисунок 2 - Тренажер для гребли с гидравлической/пневматической системой

Тренажер с тросовой системой

1 – гриф; 2 – дисплей; 3 – упор для стопы; 4 – ремень для стопы; 5 – сиденье; 6 – рейка; 7 – стопор для пятки; 8 – кожух; 9 – опора; 10 – рукоятка

Рисунок 3 – Тренажер для гребли с кабельной системой

4. Классификация тренажеров

Классификация тренажеров - по ГОСТ Р 56445.

5. Требования безопасности

5.1 Внешняя конструкция

5.1.1 Застревания, зажим, сдвиг, и возвратно-поступательное движение в пределах зоны доступа.

5.1.1.1 Расстояние между подвижными частями и прилегающими подвижными или неподвижными элементами в зоне доступа пальцев должно быть не менее 25 мм, в остальных случаях - не менее 60 мм.

5.1.1.2 Наличие тормозной системы не обязательно при условии, что отсутствует опасность для пользователя.

5.1.1.3 Площадь поверхности тормоза (при его наличии) должна быть не менее 400 мм2.

5.1.1.4 Площадь поверхности нажимного тормоза должна быть не менее 400 мм2 в момент нажатия на него с усилием 90 Н/см2.

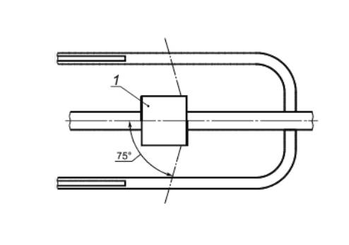
5.1.1.5 Требованием, установленным в 5.1.1.1, допускается пренебречь при условии, что элементы сжатия остаются в поле зрения пользователя на протяжении полного диапазона движения во время эксплуатации тренажера (см. рисунок 4).

5.1.1.6 При испытаниях по приложению А испытательный штифт не должен застревать.

Тренажер с гидравлической/пневматической системой

1 - сиденье

Рисунок 4 - Зона видимости

5.1.2 Элементы трансмиссии и вращающиеся части.

Элементы трансмиссии, лопасти и маховики должны быть защищены таким образом, чтобы пальцы пользователя не застревали. Испытания проводят по приложению А.

5.1.3 Сиденья

Смещение сиденья с направляющей рейки при испытании по приложению Б не допускается.

5.1.4 Температура поверхности

При испытаниях по приложению В температура доступных элементов тренажера должна быть не более 65°С.

5.2 Несущая способность

5.2.1 При испытаниях по приложению Г тренажер класса Н должен выдерживать нагрузку 250 кг, тренажер класса S - нагрузку 300 кг.

5.2.2 Значение допустимой деформации во время проведения испытаний:

  • не более 1/100 - простой балки;
  • не более 1/150 - консольной балки.

5.2.3 По окончании испытаний все элементы тренажера должны функционировать в обычном режиме в соответствии с инструкцией изготовителя. Колесики или ролики сиденья должны вращаться свободно и без люфта.

5.3 Рукоятки

В тренажерах для гребли, где рукоятка присоединена к тренажеру с помощью гибкого элемента (трос или цепь), масса рукоятки без учета массы гибкого элемента должна быть не более 0,6 кг.

5.4 Упоры и ремни для стоп

5.4.1 Для тренажеров классов S и Н должна быть предусмотрена система крепления стопы (например, ремни для стоп).

5.4.2 Для тренажера класса S упор и ремень для стопы должны иметь регулировку по размеру ноги.

5.4.3 При испытании по приложению Д ремень для стопы должен без повреждений выдерживать нагрузку:

  • 500 Н - для тренажеров класса Н;
  • 1000 Н - для тренажеров класса S.

5.4.4 При испытании по приложению Д упор для стопы должен выдерживать нагрузку 1000 Н без повреждений.

5.5 Износостойкость

5.5.1 При испытаниях на износостойкость по приложению Е тренажер должен выдерживать:

  • 12000 циклов - для тренажеров класса H;
  • 105 циклов - для тренажеров класса S.

5.5.2 После испытаний тренажер должен функционировать в соответствии с инструкцией изготовителя без признаков повреждений.

5.6 Устойчивость

При испытаниях на устойчивость по приложению Ж значение подъема основания тренажера должно быть не более 10 мм.

5.7 Дополнительные требования для тренажеров класса точности А

Отклонение указанных или определяемых параметров мощности Р от фактически потребляемой мощности должно быть не более ±5 Вт при работе в диапазоне до 50 Вт и ±10% при работе в диапазоне более 50 Вт. Испытания проводят по приложению И.

6. Методы испытаний

6.1 Требования безопасности в соответствии с разделом 5 проверяют органолептическими или инструментальными методами.

6.2 Испытания на застревание элементов сдвига и возвратно-поступательного движения в зоне доступа, а также элементов трансмиссии и вращающихся частей - по приложению А.

6.3 Испытания сидений - по приложению Б.

6.4 Оценка температуры поверхности - по приложению В.

6.5 Оценка несущей способности - по приложению Г.

6.6 Испытание упоров и ремней для стоп - по приложению Д.

6.7 Оценка износостойкости - по приложению Е.

6.8 Оценка устойчивости - по приложению Ж.

6.9 Оценка фактической и отображаемой мощности - по приложению И.

6.10 По результатам испытаний оформляют отчет или протокол.

7. Дополнительные инструкции по эксплуатации

В дополнение к требованиям ГОСТ Р 56445 каждый тренажер должен быть снабжен инструкцией по эксплуатации.

Инструкция по эксплуатации должна включать следующие сведения:

  • степень выдерживаемой нагрузки;
  • информацию о тормозной системе (зависящей или не зависящей от скорости);
  • параметры тестирования: скорость, настройка сопротивления и диапазон движения для тренажеров класса точности А;
  • информацию о безопасном обслуживании и хранении.

Приложение А

( Обязательное )

Испытания на застревание элементов сдвига и возвратно-поступательного движения в зоне доступа, а также элементов трансмиссии и вращающихся частей

А.1 Сущность метода

Испытательный зонд или штифт подносят к движущимся частям в различных положениях.

Испытательный зонд или штифт не должен застревать.

А.2 Испытательное устройство

Для тренажеров класса Н используют испытательный зонд В по ГОСТ Р 53906.

Для тренажеров класса S используют испытательный штифт по ГОСТ Р 56445.

А.3 Процедура

Испытательный зонд или штифт подносят к движущимся частям в различных положениях.

Испытательный зонд или штифт не должен застревать.

Приложение Б

( Обязательное )

Испытания сидений

Б.1 Сущность метода

К сиденью прикладывают усилие 100 Н в течение 1 мин в различных направлениях.

Смещение сиденья с направляющей рейки не допускается.

Б.2 Устройство нагружения

Устройство нагружения должно обеспечивать нагрузку 100 Н.

Б.3 Процедура

К испытуемому сиденью прикладывают усилие 100 Н в течение 1 мин в различных направлениях.

Смещение сиденья с направляющей рейки не допускается.

Приложение В

( Обязательное )

Оценка температуры поверхности

В.1 Сущность метода

В процессе испытаний в установленном режиме измеряют температуру доступных элементов тренажера.

В.2 Измерительное устройство

Для измерения температуры доступных элементов тренажера применяют контактный термометр с диапазоном измерения от 0°С до 100°С и погрешностью ±1°С.

В.3 Процедура

В.3.1 Измерение температуры доступных элементов тренажера, зависящих от скорости, проводят после его эксплуатации в течение 20 мин при следующих режимах:

  • 25 полных циклов в минуту;
  • 350 Н на один или оба рычага;
  • 60% полной траектории движения.

В.3.2 Измерение температуры доступных элементов тренажера, не зависящих от скорости, проводят после его эксплуатации в течение 20 мин при режиме:

  • 350 Н при траектории более 60% с подходящей скоростью.

Значение усилия 350 Н является средним показателем для одного полного цикла.

В.3.3 Температура доступных элементов тренажера должна быть не более 65°С.

Приложение Г

( Обязательное )

Оценка несущей способности

Г.1 Сущность метода

К стойке сиденья в течение 5 мин прикладывают усилие F:

  • 250 кг - для тренажеров класса Н;
  • 300 кг - для тренажеров класса S.

Затем нагрузку снимают и определяют значение остаточной деформации.

По окончании испытаний все элементы тренажера должны функционировать в обычном режиме в соответствии с инструкцией изготовителя.

Г.2 Устройство нагружения

Устройство нагружения для испытаний тренажеров класса Н должно обеспечивать усилие 250 Н в течение 5 мин.

Устройство нагружения для испытаний тренажеров класса S должно обеспечивать усилие 200 Н в течение 5 мин.

Г.3 Процедура

Тренажер размещают на плоской поверхности, сиденье крепят в среднем положении опоры рамы.

Основание тренажера не фиксируют к полу во время испытания.

К стойке сиденья в течение 5 мин прикладывают усилие F:

  • 250 кг - для тренажеров класса Н;
  • 300 кг - для тренажеров класса S

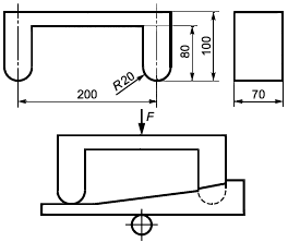
Нагрузку снимают и определяют значение остаточной деформации f (см. рисунок Г.1).

Тренажер с гидравлической/пневматической системой

а) Незакрепленная балка б) Консольная балка

Рисунок 1 Г.1 - Определение значения остаточной деформации

Приложение Д

(обязательное)

Испытание упоров и ремней для стоп

Д.1 Сущность метода

Прикладывают в центре ремня для стопы под прямым углом к упору стопы в течение 1 мин следующую нагрузку:

  • 500 Н - для тренажеров класса Н;
  • 1000 Н - для тренажеров класса S.

Для тренажеров класса S нагрузку 1000 Н прикладывают к упору стопы с помощью испытательного бруса (см. рисунок Д.1) в течение 1 мин.

Тренажер с гидравлической/пневматической системой

Рисунок Д.1 - Устройство для испытаний упора стопы

При испытаниях ремни должны выдерживать приложенную нагрузку без повреждений.

Д.2 Испытательное устройство

Устройство нагружения должно обеспечивать нагрузку 500 Н и 1000 Н.

Д.3 Процедура

Д.3.1 Прикладывают к центру ремня для стопы под прямым углом к упору стопы в течение 1 мин следующую нагрузку:

  • 500 Н - для тренажеров класса Н;
  • 1000 Н - для тренажеров класса S.

Д.3.2 Прикладывают величиной 1000 Н к упору стопы с помощью испытательного бруса (см. рисунок Д.1) в течение 1 мин.

Д.3.3 При испытаниях ремни должны выдерживать приложенную нагрузку без повреждений.

Приложение Е

( Обязательное )

Оценка износостойкости

Е.1 Сущность метода

При испытаниях на износостойкость тренажер должен выдерживать:

  • 12000 циклов - для тренажеров класса Н;
  • 105 циклов - для тренажеров класса S.

После испытаний тренажер должен функционировать в соответствии с инструкцией изготовителя без признаков повреждений.

Е.2 Испытательное устройство

Испытатель массой 60 кг.

Е.3 Процедура

Е.3.1 Условия проведения испытаний

Испытания тренажеров, не зависящих от скорости, проводят на скорости 25 циклов/мин, прикладывая к рукояткам усилие 200 Н и выполняя захват 75%-80% от полного диапазона движения пользователя с процентильным эквивалентом 95 в соответствии с требованиями настоящего стандарта с движущимся грузом массой 60 кг (испытателем), помещенным на сиденье.

Е.3.2 Проведение испытаний

Для тренажеров класса Н выполняют 12000 циклов, чередуя 15 мин движения и 15 мин покоя.

Для тренажеров класса S выполняют 105 циклов, чередуя 10 ч движения и 10 ч охлаждения до комнатной температуры. Чередование рабочих режимов и режимов охлаждения выполняют до окончания испытаний.

Е.3.3 После испытаний тренажер должен функционировать в соответствии с инструкцией изготовителя без признаков повреждений.

Приложение Ж

( Обязательное )

Оценка устойчивости

Ж.1 Сущность метода

Испытатель массой (100±5) кг и ростом (1750±50) мм выполняет упражнение в соответствии с инструкцией изготовителя.

Регистрируют значение подъема основания тренажера.

Ж.2 Испытательное оборудование

Испытатель массой (100±5) кг и ростом (1750±50) мм.

Ж.3 Процедура

Испытатель выполняет упражнение в соответствии с инструкцией изготовителя при следующих условиях:

  • на скорости 35 циклов/мин при минимальной нагрузке - для тренажеров, не зависящих от скорости;
  • 35 циклов/мин - для тренажеров, зависящих от скорости.

Во время испытаний испытатель наклоняет тренажер на 10° в направлении динамической нагрузки и на 5° в остальных направлениях.

Продолжительность испытания - 1 мин.

Значение подъема основания тренажера во время проведения испытаний должно быть не более 10 мм.

Приложение И

( Обязательное )

Оценка фактической и отображаемой мощности

И.1 Сущность метода

Проводят сравнение фактической и отображаемой на дисплее тренажера мощностей.

Отклонение указанных или определяемых параметров мощности Р от фактически потребляемой мощности не должно превышать ±5 Вт при работе в диапазоне до 50 Вт и ±10% при работе в диапазоне более 50 Вт.

И.2 Измерительное оборудование

Измерительное оборудование должно измерять значения силы, расстояние и время с погрешностью не более ±1% по каждому параметру.

И.3 Процедура

Вычисляют механическую мощность по значениям силы, расстояния и времени.

Значение отображаемой мощности должно быть в пределах ±10% от фактического значения в ваттах при проверке согласно указаниям изготовителя.

Оценку мощности проводят в течение 10 мин.

Пример графика входящей мощности представлен на рисунке И.1.

Тренажер с гидравлической/пневматической системой

Рисунок И.1 - Пример графика входящей мощности


УДК 796.022:354./ОКС 97.220.30

Ключевые слова: стационарные тренажеры, тренажеры, имитирующие греблю, требования безопасности, методы испытания